מוצרים
עיבוד שבבי שוויצרי מדויק
  • עיבוד שבבי שוויצרי מדויקעיבוד שבבי שוויצרי מדויק
  • עיבוד שבבי שוויצרי מדויקעיבוד שבבי שוויצרי מדויק
  • עיבוד שבבי שוויצרי מדויקעיבוד שבבי שוויצרי מדויק
  • עיבוד שבבי שוויצרי מדויקעיבוד שבבי שוויצרי מדויק

עיבוד שבבי שוויצרי מדויק

Sanluo Precision היא יצרנית וספקית מובילה של עיבוד שבבי שוויצרי מדויק בסין, עם הצטברות טכנית עמוקה בעיבוד שבבי החלקה שוויצרי ברמת דיוק גבוהה, המספקת ללקוחות שירותי עיבוד שבבי שוויצרי ברמת מיקרון. אנו מציעים שירותי עיבוד שוויצריים מקצועיים בהתאמה אישית לתעופה וחלל, השתלות רפואיות, מכשירים אופטיים, אלקטרוניקה מתקדמת ותחומים נוספים, התומכים בהתאמה אישית של חלקים מורכבים וקשים. אנו מבינים את הייצור של חלקים קטנים ברמת דיוק גבוהה במיוחד, העומדים במלוא הדרישות המחמירות של ייצור מתקדם עבור עיבוד שבבי מדויק מסוג שוויצרי.

קיבולת עיבוד שבבי מדויק

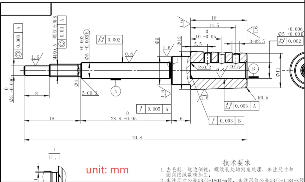
מפעל העיבוד שלנו הגיע לרמה הגבוהה ביותר בתעשייה מבחינת בקרת דיוק של עיבוד שבבי מדוייק. דיוק מידות: סובלנות קוטר ±0.002 מ"מ, סובלנות אורך ±0.005 מ"מ, סובלנות גובה צעד ±0.008 מ"מ, דיוק התאמה H6/h5 כיתה. דיוק גיאומטרי: עיגול 0.003 מ"מ, גליליות 0.005 מ"מ, ריכוזיות 0.005 מ"מ, ניצב 0.008 מ"מ, יציאה 0.01 מ"מ. איכות פני השטח: חספוס פני השטח Ra0.2~0.8μm, ליטוש מדויק Ra0.1μm בערך, קרוב לגימור המראה. דיוק חוזר: עקביות מימדית של עיבוד אצווה ±0.003 מ"מ, CPK≥2.0, יכולת שש סיגמא 6σ. דיוק הציוד: דיוק סיבוב ציר 0.001 מ"מ, יציאת תותב מוביל 0.002 מ"מ, דיוק מיקום ±0.001 מ"מ, מיקום חוזר ±0.0005 מ"מ. בקרת סביבה: סדנת טמפרטורה קבועה עם טמפרטורה 20±0.5℃ ולחות 50±3% למניעת עיוות תרמי והבטחת דיוק.


דיוק תחנת עיבוד שבבי שוויצרי מדויק

דיוק מידות

OD

תְעוּדַת זֶהוּת

T(C)

DP

DA

יחידה: ±/מ"מ

0.002

0.002

0.005

0.002

0.0001

דיוק גיאומטרי

עֲגַלגַלוּת

קואקסיאליות

יוֹשֶׁר

גליליות

יציאה מעגלית

יחידה: ±/מ"מ

0.002

0.003

0.002

0.003

0.002

כושר ייצור

1~999999 יח'

1~999999 יח'

1~999999 יח'

1~999999 יח'

1~999999 יח'

מחזור ייצור

3-20 ימים

3-20 ימים

3-20 ימים

3-20 ימים

3-20 ימים


טכנולוגיית ציוד מדויק

כיצרנית מקצועית של עיבוד שבבי שוויצרי מדויק, ל-Sanluo Precision יש ציוד מתקדם. מערכת תותבים מובילים: תותב מנחה ברמת דיוק גבוהה, סובלנות לחור פנימי ±0.005 מ"מ, חומר טונגסטן קרביד, עמידות בפני שחיקה טובה, חיי שירות ארוכים, המבטיחים דיוק בעיבוד שבבי. מערכת ציר: מיסבים הידרוסטטיים או מיסבים כדוריים קרמיים, דיוק סיבוב 0.001 מ"מ, פעולה במהירות גבוהה ללא רעידות, פיצוי טמפרטורה, פיצוי אוטומטי של התארכות תרמית של הציר, דיוק יציב. מערכת זיהוי: זיהוי מקוון של בדיקת לייזר, דיוק מדידה ±0.001 מ"מ, פיצוי אוטומטי, בקרת לולאה סגורה; מגדיר כלי לייזר, מדידה מדויקת של אורך הכלי, הבטחת עקביות. אנו מספקים שירותי עיבוד שוויצריים מקצועיים בהתאמה אישית ללקוחות גלובליים.


פרמטרים טכניים של ציוד

קטגוריית פרמטרים

פרטי פרמטר

דגם ציוד

MultiSwiss 6X16

מותג

טורנוס

מיקום ליבה

ייצור המוני יעיל של חלקים קטנים מורכבים

מספר צירים וצירים

6 צירים + ציר אחורי אופציונלי

קיבולת עיבוד שבבי

קוטר עיבוד מקסימלי 16 מ"מ

מערכת ציר

כל ציר שולט באופן עצמאי במהירות, באינדקס ובמיקום ציר C; ציר תחתון אופציונלי עם מהירות מקסימלית של 6000 סל"ד לדקה

מערכת כלים

כל תחנה יכולה להכיל עד 4 כלים, קיבולת כוללת של עד 18

מערכת CNC

תוכנת התכנות Tornos TBDECO או TISIS ISO

יתרונות ליבה

עיבוד מקביל רב-צירים, יעילות ייצור פי כמה מזו של מחרטות חד-ציר; גרסת ציר Y אופציונלית

יישומים אופייניים

חלקי עיבוד שוויצרי דיוק וכו'


קטגוריית פרמטרים

פרטי פרמטר

דגם ציוד

סדרת SB

מיקום ליבה

עיבוד חלקים קטנים יעיל רב-צירים

מספר צירים וצירים

3 צירים, 4 צירים

קיבולת עיבוד שבבי

קוטר עיבוד 16 מ"מ או 20 מ"מ

מערכת ציר

מהירות ציר 6,000 - 10,000 סל"ד, הספק סטנדרטי 1 קילוואט

מערכת צריח

מבנה מסילת מדריך זנב יונים משופע לשיפור קשיחות הצריח, 4 סוגי צריחים אופציונליים

פונקציית מפתח

ציר סטנדרטי מצויד בבקרת ציר C

יתרונות ליבה

עיבוד מגוון על ידי שינוי שילובי כלים, מתאים לייצור המוני של חלקים קטנים

יישומים אופייניים

חלקי עיבוד שוויצרי דיוק וכו'


Precision Swiss Machining

Precision Swiss MachiningPrecision Swiss Machining

Precision Swiss MachiningPrecision Swiss Machining


Hot Tags: עיבוד שבבי שוויצרי מדויק, יצרן, מותאם אישית
שלח שאילתה
פרטים ליצירת קשר
לשאלות לגבי המוצרים או המחירון שלנו, אנא השאירו לנו את האימייל שלכם ואנו ניצור אתכם קשר תוך 24 שעות.
X
אנו משתמשים בקובצי Cookie כדי להציע לך חווית גלישה טובה יותר, לנתח את התנועה לאתר ולהתאים אישית את התוכן. על ידי שימוש באתר זה, אתה מסכים לשימוש שלנו בעוגיות. מדיניות פרטיות
לִדחוֹת לְקַבֵּל